重慶高真空蒸餾成套裝備
發布日期:2019-07-04 來源:sjhg
實物圖

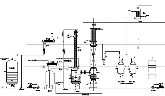
工藝流程圖

工作原理
母液從進料口,通過真空負壓進入蒸發器上端,經過分液裝置讓液體形成薄膜從上而下,此時,夾套蒸汽對物料加熱,冷凝水從底部排出,薄膜液體在高真空下10至20秒內就汽化,汽化出來的汽體進入氣液傳質系統,在低壓降的高真空傳質系統內傳質交換,高沸液相回流到蒸發系統重新蒸發或排放;汽相部分一部分回流,另一部分從塔頂采出進入成品罐;塔釜高沸母液定期排出。該系統可以進行連續精餾,也可以進行間歇精餾,視產品質量和產量要求而定。系統高真空設計及安裝是本系統關鍵,要保證蒸發室內達到高真空對系統部件(填料-蘇爾壽)選擇及匹配很重要。
系統組成包括:短程薄膜蒸發系統、氣液傳質系統、高真空機組系統、物料進料與接收系統。
應用范圍
廣泛應用于化工、醫藥高沸點,用傳統分離方式以分離的回收原料、半成品及成品(如二甲亞砜等)的精餾提純等。
技術參數及特點
填料塔它是由塔體、填料、噴淋裝置、支撐柵板、再分配器、氣液進出口管等組成。填料是使氣液兩相高度分散,擴大相間接觸面積;噴淋裝置是使液體均勻分散噴灑在填料層中;支撐柵板是支撐填料層,并使蒸氣均勻通過填料層;再分配器的作用是使液體能夠均交地潤濕。所以為了創造氣液接觸的良好條件,在塔體中一定高度上設置再分配器,使液體集中進行再分配,以保證均勻噴灑。
填料塔具有生產能力大,分離效率高,壓降小,持液量小,操作彈性大等優點。
當填料層較高時,為防止壁流,需要進行分段,中間設置再分布裝置。
填料的種類很多,可視工藝情況選擇散裝填料或規整填料。
不能直接用于有懸浮物或容易聚合的物料。
我公司可以根據貴方提供的物料及特性,用我們的中試裝置進行試驗,為您量身定制專用、可行、低成本費用的成套設備。



